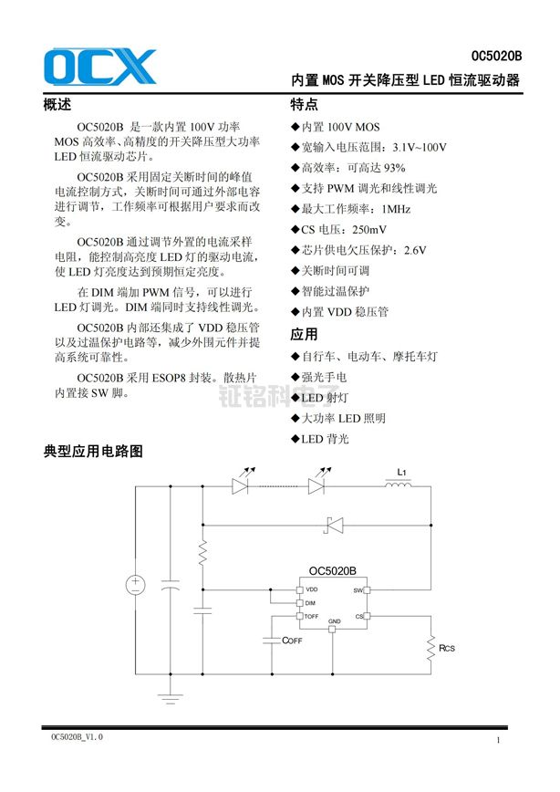
OC5020B是一款内置100V功率MOS的开关降压型大功率DC-DC降压恒流驱动芯片。它采用固定关断时间的峰值电流控制方式,关断时间可通过外部电容进行调节,工作频率可根据用户要求而改变。OC5020B通过调节外置的电流采样电阻,能控制高亮度LED灯的驱动电流,使LED灯亮度达到预期恒定亮度。该驱动器具有过温保护、过压保护、过流保护等功能,保证了系统的稳定性和安全性。







东方彩Copyright © 2017-2021 深圳市钲铭科电子有限公司 版权所有
QQ:41290014 电话:86 0755 2759 3052 E-mail:sale@linkage.cn
